烤箱类高温传感器
  • 烤箱类高温传感器
  • 烤箱类高温传感器
烤箱类高温传感器

烤箱类高温传感器属于科敏CWF2系列,采用由半导体材料NTC热敏电阻制成、感温头部用金属壳封装的引线型传感元件。该系列传感器应用范围是-40℃至300℃,金属外壳采用不锈钢等材质,引线可采用22号~30号线径的铁氟龙高温线、硅胶线、XLPE线等符合UL和环保认证的线材。

产品详情
应用

. 烤箱、微波炉
. 蒸烤箱
. 空气炸锅

配件(客户定制要求)

. 直插端子
. 连接器
. 套管(玻纤套管、热缩套管、铁氟龙套管)
. 扎带

规格参数

传感器系列

CWF2系列

工作温度范围

-40℃至250℃

感温元件类型

科敏MF51热敏电阻系列

电阻规格

500KF4260(R25℃=500KΩ±1%, B25/50=4260K±1%)

头部封装形式

金属壳封装型

外壳材质

SUS304

常用线材

UL3122

绝缘耐压

1500VAC,60S,5mA(常规,可选)

热时间常数

≤15s(在恒温油槽中)

耗散系数

≥2.5mW/℃(25℃,静止空气中)

额定功率

150mW(25℃,静止空气中)



定制服务

. 上述配件
. 外壳尺寸、形状、材质
. 线型、线长
. NTC热敏电阻的阻值、B值及精度均可定制

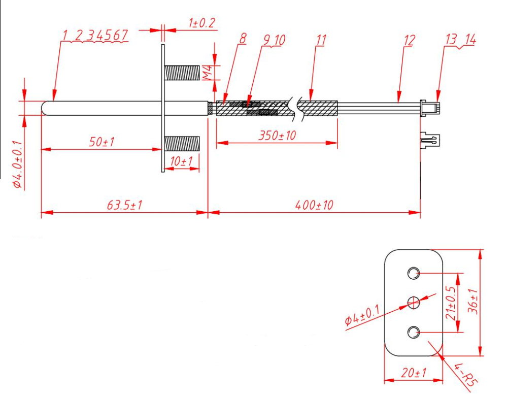
典型款式参考图纸

华诺11021116(LZ07D05501) CWF2 500KF4260--.jpg
今天让我们开始,
    一个新项目吧。
Link:ELEMAY (HK) ELECTRONICS CO., LIMITED
CopyRight © 2022 深圳市科敏传感器有限公司   粤ICP备07029769号